
產品詳細


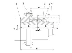
| 型號 |
公稱轉矩 Tn |
許用轉速 np |
軸孔直徑 d |
軸孔長度 L |
總長 L2 |
D | L2 | L3 |
間隙 t |
重量 | 潤滑油 |
| /N·m | /r·min-1 | /mm | /kg | ||||||||
| JSG1 | 140 | 10000 | 12、14、16、18、19、20、22、24、25、28、30、32、35 | 47 | 97 | 115 | 78 | 50 | 3 | 3.9 | 0.0408 |
| JSG2 | 400 | 9000 | 16、18、19、20、22、24、25、28、30、32、35、38、40、42、45、48、50 | 60 | 123 | 157 | 94 | 59 | 8.85 | 0.0675 | |
| JSG3 | 900 | 8200 | 19、20、22、24、25、28、30、32、35、38、40、42、45、48、50、55、56、60、63、65 | 76 | 155 | 182 | 103 | 86 | 15.62 | 0.1135 | |
| JSG4 | 1800 | 7100 | 28、30、32、35、38、40、42、45、48、50、55、56、60、63、65、70、71、75、80 | 88 | 179 | 218 | 134 | 86 | 3 | 26.42 | 0.1725 |
| JSG5 | 3150 | 6000 | 28、30、32、35、38、40、42、45、48、50、55、56、60、63、65、70、71、75、80、85、90、95 | 98 | 199 | 244 | 144 | 92 | 37.23 | 0.254 | |
| JSG6 | 5600 | 4900 | 42、45、48、50、55、56、60、63、65、70、71、75、80、85、90、95、100、110、120 | 120 | 245 | 286 | 181 | 117 | 5 | 63.11 | 0.427 |
| JSG7 | 8000 | 4500 | 60、63、65、70、71、75、80、85、90、95、100、110、120 | 127 | 259 | 324 | 190 | 122 | 83.54 | 0.5085 | |
| JSG8 | 12500 | 4000 | 60、63、65、70、71、75、80、85、90、95、100、110、120、125、130、140 | 149 | 304 | 327 | 220 | 146 | 6 | 98.06 | 0.735 |
| JSG9 | 18000 | 3600 | 65、70、71、75、80、85、90、95、100、110、120、125、130、140、150、160、170 | 162 | 330 | 365 | 225 | 150 | 140.29 | 0.908 | |
| JSG10 | 25000 | 3300 | 65、70、71、75、80、85、90、95、100、110、120、125、130、140、150、160、170、180、190、200 | 184 | 374 | 419 | 345 | 156 | 209.75 | 1.135 | |
JSG型高速型聯軸器是當今國際機械領域**的軸聯接傳動部件,也是一種非常通用的軸聯接傳動部件,它廣泛應用于各種機械及設備的軸傳動,凡是有馬達與軸相連、馬達與減速箱相弱或軸與軸相聯的地方都可應用。我國許多大型企業引進的成套進口設備的軸連接都采用它作為傳動部件。
- 上一篇:蛇形彈簧聯軸器
- 下一篇:JSB型軸向安裝聯軸器

